
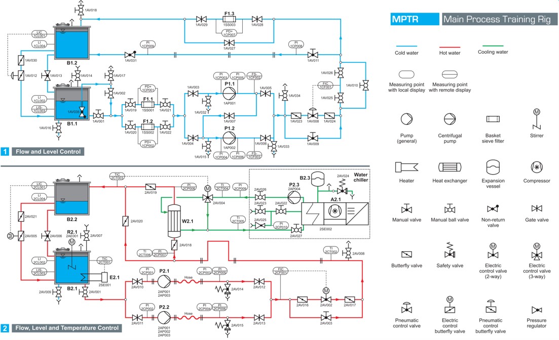
Ref: EWTGUMPTR
MPTR Installation industrielle de formation et de maintenance pour l'industrie pétrolière, nucléaire
Boucles de régulation sur circuit eau, huile, niveau, débit, pression, API, logiciel / SUR DEMANDE
Techniques > Maintenance - Productique > Maintenance > Composants d'installation: vannes, pompes, conduites
Techniques > Maintenance - Productique > Kits assemblage > Robinetteries
Techniques > Maintenance - Productique > Contrôle et maintenace industrielle (Energie-Pétrol)
Poids: 4000 Kg Delai de livraison estimé : 24 semaines
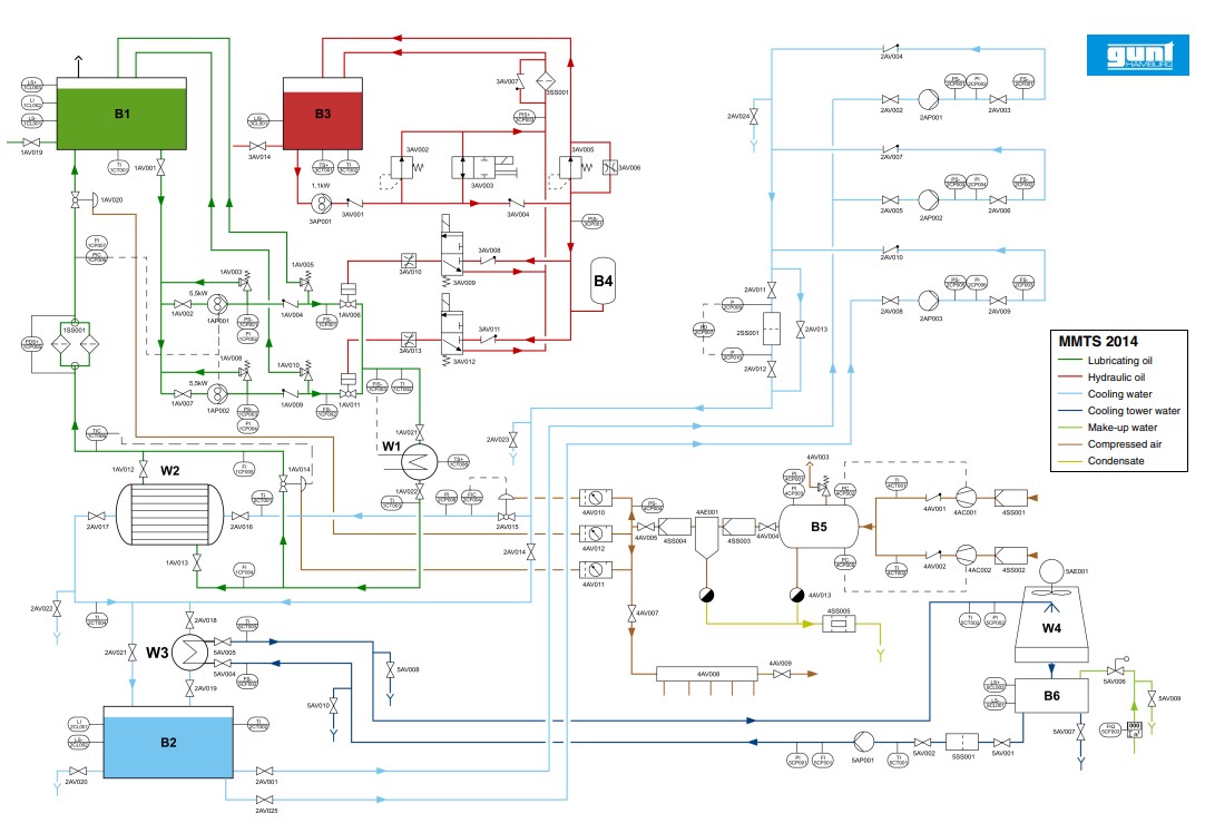
Ref: EWTGUMMTS
MPTR Installation industrielle de maintenance mécanique, mesure, contrôle, tuyauterie, échangeur
Domaine: centrales électriques, raffinage du pétrole, traitement du gaz naturel / SUR DEMANDE










