
Ref: EWTGUMPTR-PART1
MPTR Partie 1 Installation industrielle, formation, maintenance pour industrie pétrolière, nucléaire
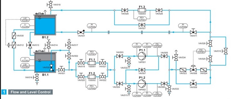
régulation sur circuit eau, huile, niveau, débit, pression, API, logiciel / SUR DEMANDE
Poids: 2500 Kg Delai de livraison estimé : 24 semaines






