
Ref: EWTGURT800
RT 800 Processus industriel de mélange Partie Opérative pour API (Réf. 080.80000)
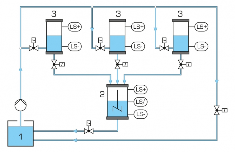
Ce banc dessai pour applications API permet de réaliser des fonctions complexes de commande dans le domaine du génie des procédés, et en particulier des opérations discontinues de dosage et de mélange.
Linstallation se compose dun bâti avec un réservoir de stockage, une pompe centrifuge et un panneau sur lequel tous les composants sont clairement disposés.
Une pompe refoule de leau et remplit trois réservoirs de mesure par lintermédiaire délectrovannes.
Le niveau de remplissage des trois réservoirs est surveillé par des détecteurs de proximité capacitifs de sensibilité ajustable.
Un procédé de mélange peut être réalisé dans le réservoir de mélange daval à partir des trois réservoirs de mesure.
Le réservoir de mélange est également muni de trois commutateurs capacitifs. Un agitateur accélère le mélange.
Tous les réservoirs sont transparents, de sorte que les processus de transport et de mélange sobsevent facilement.
Le banc dessai possède un ensemble de connecteurs de laboratoire via lequel un API traite les signaux des détecteurs de proximité capacitifs et commande toutes les électrovannes.
Ce faisant, on peut utiliser des commandes programmables API de différents fabricants.
Un profilé sur le panneau frontal du modèle permet de fixer la commande.
LAPI ne fait pas partie de la livraison.
On peut cependant vérifier également le fonctionnement de linstallation sans API.
On recommande lutilisation du module API IA 130.
Linstallation se compose dun bâti avec un réservoir de stockage, une pompe centrifuge et un panneau sur lequel tous les composants sont clairement disposés.
Une pompe refoule de leau et remplit trois réservoirs de mesure par lintermédiaire délectrovannes.
Le niveau de remplissage des trois réservoirs est surveillé par des détecteurs de proximité capacitifs de sensibilité ajustable.
Un procédé de mélange peut être réalisé dans le réservoir de mélange daval à partir des trois réservoirs de mesure.
Le réservoir de mélange est également muni de trois commutateurs capacitifs. Un agitateur accélère le mélange.
Tous les réservoirs sont transparents, de sorte que les processus de transport et de mélange sobsevent facilement.
Le banc dessai possède un ensemble de connecteurs de laboratoire via lequel un API traite les signaux des détecteurs de proximité capacitifs et commande toutes les électrovannes.
Ce faisant, on peut utiliser des commandes programmables API de différents fabricants.
Un profilé sur le panneau frontal du modèle permet de fixer la commande.
LAPI ne fait pas partie de la livraison.
On peut cependant vérifier également le fonctionnement de linstallation sans API.
On recommande lutilisation du module API IA 130.
Contenu didactique / Essais
- planification et mise en pratique de tâches de commande à l'aide d'un API à l'exemple d'un processus complexe de mélange
- apprentissage des notions et de la symbolique
- représentation de circuits
- essai de fonctionnement de tous les capteurs et actionneurs
- réglage de la sensibilité des détecteurs de proximité capacitifs
- procédure de raccordement de l'API
- en association avec un module API performant, réalisation de fonctions de commande complexes par API dans le domaine du génie des procédés
- processus discontinues de dosage et de mélange
Les grandes lignes
- banc d'essai de commande de procédés de mélange discontinus avec API
- utilisation de composants industriels standard
- détecteurs de proxmité capacitifs comme capteurs de niveau
- alimentation électrique incorporée pour tous les composants et pour l'API
- planification et mise en pratique de tâches de commande à l'aide d'un API à l'exemple d'un processus complexe de mélange
- apprentissage des notions et de la symbolique
- représentation de circuits
- essai de fonctionnement de tous les capteurs et actionneurs
- réglage de la sensibilité des détecteurs de proximité capacitifs
- procédure de raccordement de l'API
- en association avec un module API performant, réalisation de fonctions de commande complexes par API dans le domaine du génie des procédés
- processus discontinues de dosage et de mélange
Les grandes lignes
- banc d'essai de commande de procédés de mélange discontinus avec API
- utilisation de composants industriels standard
- détecteurs de proxmité capacitifs comme capteurs de niveau
- alimentation électrique incorporée pour tous les composants et pour l'API
Caractéristiques techniques
Pompe centrifuge (pompe submersible)
- puissance absorbée: 430W
- débit de refoulement max.: 150L/min
- hauteur de refoulement max.: 7m
Réservoirs
- réservoir de stockage: 70L
- 3 réservoirs de mesure: chacun 75L
- réservoir de mélange: 7L
Détecteurs de proximité capacitifs, contacts à fermeture
Distributeurs 2/2 6x DN8, 1x DN20, 1x DN15
Alimentation: 24VCC, 8A
Alimentation: 230V, 50Hz, 1 phase
Pompe centrifuge (pompe submersible)
- puissance absorbée: 430W
- débit de refoulement max.: 150L/min
- hauteur de refoulement max.: 7m
Réservoirs
- réservoir de stockage: 70L
- 3 réservoirs de mesure: chacun 75L
- réservoir de mélange: 7L
Détecteurs de proximité capacitifs, contacts à fermeture
Distributeurs 2/2 6x DN8, 1x DN20, 1x DN15
Alimentation: 24VCC, 8A
Alimentation: 230V, 50Hz, 1 phase
Informations logistiques
Dimensions et poids
Lxlxh: 1618x792x1903mm
Poids: env. 223kg
Liste de livraison
1 banc dessai
1 documentation didactique
Lxlxh: 1618x792x1903mm
Poids: env. 223kg
Liste de livraison
1 banc dessai
1 documentation didactique
Techniques > Maintenance - Productique > Automatismes > API et Parties opératives
Techniques > Génie des Procédés > Pilotes complexes en génie des procédés > Applications API
Techniques > Génie des Procédés > Principes de base du génie des procédés > Bases de la régulation
Techniques > Automatismes > API et Parties opératives > Parties opératives
Poids: 223 Kg Delai de livraison estimé : 16 semaines


