
Ref: EWTGUCE235
CE 235 Banc de séparation de matières solides dans les gaz par un Cyclone gaz (Réf. 083.23500)
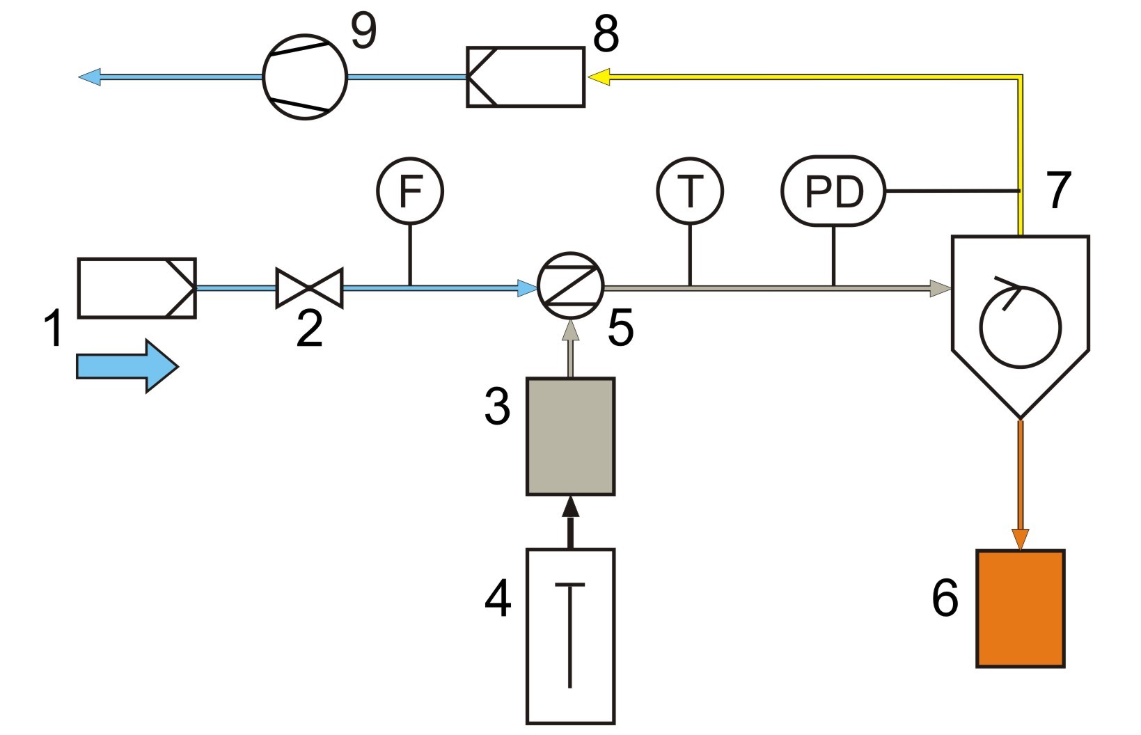
La séparation préliminaire des matières solides dans les gaz constitue une application des cyclones gaz.
Cyclones gaz ne possèdent aucune pièce en mouvement et ne nécessitent par conséquent que très peu dentretien.
Ils sont utilisables également avec des gaz à température très élevée et sont, de ce fait, très répandus.
Ce banc dessai a été développé en collaboration avec linstitut de Génie des Procédés liés aux Matières Solides et de Technologie des Particules de lécole polytechnique à Hamburg-Harburg .
La charge dalimentation (poudre de quartz recommandée) est finement réparti dans un écoulement dair grâce à un dispositif de dispersion.
Lécoulement dair (gaz brut) ainsi chargé de matière solide est dirigé tangentiellement dans le cyclone en partie haute.
A lintérieur du cyclone, lécoulement dair descend sous la forme dun tourbillon primaire en rotation.
Au pied du cyclone, le tourbillon se retourne.
Il remonte au centre du cyclone sous la forme dun tourbillon secondaire en direction du tube de sortie (jupe).
A ce niveau, le gaz purifié quitte le cyclone.
Le processus de séparation principal se déroule à lintérieur du tourbillon primaire.
Sous leffet des forces centrifuges et de la différence de densité entre lair et la matière solide, les particules grossières sont dirigées vers la paroi.
Elles glissent le long de celle-ci et sont recueillies par un réservoir au pied du cyclone.
La matière solide nest pas intégralement séparée.
Idéalement, les fines particules dont la taille est inférieure au diamètre de coupure sortent en haut par le tube de sortie avec le tourbillon secondaire.
Ces fines particules sont séparées de lécoulement dair par un filtre.
Le diamètre de coupure définit la limite théorique entre les fines particules et les grosses particules.
La teneur en matière solide du gaz brut peut être ajustée à laide du dispositif de dispersion et dune vanne pour le débit volumétrique dair.
Afin déviter que lécoulement dair en amont du dispositif de dispersion soit chargé de particules, lair ambiant aspiré est filtré.
Lécoulement dair est produit par un ventilateur.
Des points de mesure de la pression aux endroits appropriés du banc dessai permettent de mesurer les pertes de charge.
Une loi de répartition peut être élaborée et le diamètre de coupure déterminé à laide dun dispositif danalyse approprié (par ex. un spectromètre à diffraction).
Cyclones gaz ne possèdent aucune pièce en mouvement et ne nécessitent par conséquent que très peu dentretien.
Ils sont utilisables également avec des gaz à température très élevée et sont, de ce fait, très répandus.
Ce banc dessai a été développé en collaboration avec linstitut de Génie des Procédés liés aux Matières Solides et de Technologie des Particules de lécole polytechnique à Hamburg-Harburg .
La charge dalimentation (poudre de quartz recommandée) est finement réparti dans un écoulement dair grâce à un dispositif de dispersion.
Lécoulement dair (gaz brut) ainsi chargé de matière solide est dirigé tangentiellement dans le cyclone en partie haute.
A lintérieur du cyclone, lécoulement dair descend sous la forme dun tourbillon primaire en rotation.
Au pied du cyclone, le tourbillon se retourne.
Il remonte au centre du cyclone sous la forme dun tourbillon secondaire en direction du tube de sortie (jupe).
A ce niveau, le gaz purifié quitte le cyclone.
Le processus de séparation principal se déroule à lintérieur du tourbillon primaire.
Sous leffet des forces centrifuges et de la différence de densité entre lair et la matière solide, les particules grossières sont dirigées vers la paroi.
Elles glissent le long de celle-ci et sont recueillies par un réservoir au pied du cyclone.
La matière solide nest pas intégralement séparée.
Idéalement, les fines particules dont la taille est inférieure au diamètre de coupure sortent en haut par le tube de sortie avec le tourbillon secondaire.
Ces fines particules sont séparées de lécoulement dair par un filtre.
Le diamètre de coupure définit la limite théorique entre les fines particules et les grosses particules.
La teneur en matière solide du gaz brut peut être ajustée à laide du dispositif de dispersion et dune vanne pour le débit volumétrique dair.
Afin déviter que lécoulement dair en amont du dispositif de dispersion soit chargé de particules, lair ambiant aspiré est filtré.
Lécoulement dair est produit par un ventilateur.
Des points de mesure de la pression aux endroits appropriés du banc dessai permettent de mesurer les pertes de charge.
Une loi de répartition peut être élaborée et le diamètre de coupure déterminé à laide dun dispositif danalyse approprié (par ex. un spectromètre à diffraction).
Contenu didactique / Essais
- influence de la teneur en matière solide et du débit volumétrique dair sur
la perte de charge au niveau du cyclone
le rendement de séparation
la loi de répartition et le diamètre de coupure (avec un dispositif danalyse approprié)
- comparaison de la perte de charge et du taux de séparation avec les valeurs théoriques calculées
Les grandes lignes
- séparation de matières solides à laide dun cyclone gaz
- cyclone transparent pour lobservation du processus de séparation
- essais adaptés à lexpérimentation à léchelle du laboratoire
Les caractéristiques techniques
Cyclone
- hauteur: env. 250mm
- diamètre: env. 80mm
- diamètre du tube de sortie: env. 30mm
Ventilateur
- débit volumétrique: max. 600m^3^/h
- puissance: env. 3600W
Réservoirs
- charge d'alimentation: 15mL
- grosses particules: 700mL
Plages de mesure
- pression différentielle du cyclone: 0...100mbar
- débit volumétrique (air): 10...100m^3^/h
- température: 0...60°C
230V, 50Hz, 1 phase
- influence de la teneur en matière solide et du débit volumétrique dair sur
la perte de charge au niveau du cyclone
le rendement de séparation
la loi de répartition et le diamètre de coupure (avec un dispositif danalyse approprié)
- comparaison de la perte de charge et du taux de séparation avec les valeurs théoriques calculées
Les grandes lignes
- séparation de matières solides à laide dun cyclone gaz
- cyclone transparent pour lobservation du processus de séparation
- essais adaptés à lexpérimentation à léchelle du laboratoire
Les caractéristiques techniques
Cyclone
- hauteur: env. 250mm
- diamètre: env. 80mm
- diamètre du tube de sortie: env. 30mm
Ventilateur
- débit volumétrique: max. 600m^3^/h
- puissance: env. 3600W
Réservoirs
- charge d'alimentation: 15mL
- grosses particules: 700mL
Plages de mesure
- pression différentielle du cyclone: 0...100mbar
- débit volumétrique (air): 10...100m^3^/h
- température: 0...60°C
230V, 50Hz, 1 phase
Informations logistiques
Dimensions et poids
Lxlxh: 1520x790x1800mm (banc d'essai)
Poids: env. 160kg (banc d'essai)
Lxlxh: 660x510x880mm (ventilateur)
Poids: env. 33kg (ventilateur)
Lxlxh: 1520x790x1800mm (banc d'essai)
Poids: env. 160kg (banc d'essai)
Lxlxh: 660x510x880mm (ventilateur)
Poids: env. 33kg (ventilateur)
Techniques > Génie des Procédés > Génie des procédés mécaniques > Procédés de séparation: séparation par centrifugation
Techniques > Energie Environnement > Environnement > Air: procédés mécaniques
Poids: 193 Kg Delai de livraison estimé : 16 semaines



