
Ref: EWTGUCE750
CE 750 Processus de pasteurisation industrielle avec commande par API
avec de nombreuses fonctions de commande et de maintenance de l’installation
![]()
La pasteurisation est un procédé qui permet de conserver des aliments tels que le lait, la bière et les jus de fruits.
Le produit est chauffé à une température définie et maintenu à cette température pendant un temps défini.
Linstallation dessai ET 750 a été spécialement conçue pour la formation dans le domaine de la technologie alimentaire et les travaux pratiques.
En plus de faire fonctionner et de surveiller linstallation, il est possible deffectuer différents travaux de maintenance, comme le calibrage, le remplacement et le nettoyage des éléments de linstallation.
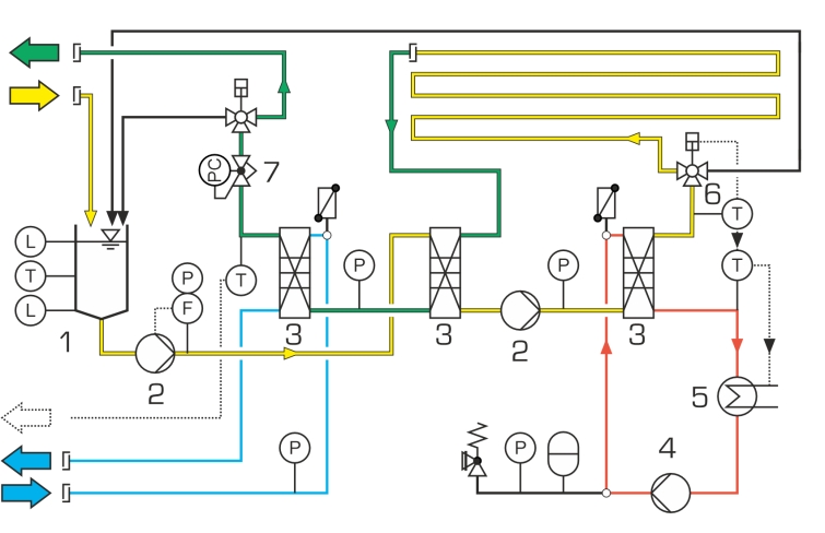
Linstallation dessai comprend un réservoir collecteur, deux pompes hygiéniques, un échangeur de chaleur à plaques avec trois compartiments, une section de maintien de la chaleur ainsi quun circuit deau de chauffage.
Le produit froid est transporté du réservoir collecteur vers le premier compartiment de léchangeur de chaleur (récupération) pour y être préchauffé.
Après une nouvelle augmentation de la pression, le produit est chauffé dans le deuxième compartiment à la température de pasteurisation souhaitée et traverse la mesure de la température enregistrée.
Si la température natteint pas ce seuil, la dérivation à fermeture rapide est activée et linstallation fonctionne en circuit fermé. Cela évite la contamination des pièces de linstallation situées en aval.
Lorsque la température de pasteurisation est atteinte, le maintien à chaud et donc la pasteurisation ont lieu dans la section de maintien à chaud.
Après écoulement à travers la section de maintien à température, le produit pasteurisé préchauffe le produit froid.
Ensuite, le compartiment de refroidissement de léchangeur de chaleur à plaques procède au refroidissement à la température de stockage.
Le refroidissement du processus seffectue soit par un groupe frigorifique (non compris dans la livraison), soit par le banc dessai ET 195.
Tous les principaux éléments répondent aux normes industrielles et permettent de réaliser et de documenter les différents travaux de maintenance au plus près de la pratique.
Cela comprend le remplacement des joints ainsi que le calibrage de la technique de mesure.
Un API programmable intégré avec écran tactile permet de commander linstallation.
Grâce à un routeur intégré, un terminal peut également commander et contrôler linstallation dessai.
Linterface utilisateur peut en outre être affichée sur dautres terminaux (Screen-Mirroring).
Les valeurs de mesure peuvent être enregistrées en interne à laide de lAPI.
Les personnes en formation apprennent à utiliser lAPI, y compris à régler et à surveiller les paramètres du processus.
Contenu didactique/essais
Apprentissage dans un environnement de type industriel pour la formation en technologie alimentaire
- fonctionnement et interventions de maintenance sur un pasteurisateur industriel
- apprentissage du fonctionnement du processus afin quil fonctionne toujours sans erreur
- apprentissage de la structure et du fonctionnement de linstallation
- utilisation dun chauffage de courte durée
stérilisation
démarrage de linstallation
fonctionnement de linstallation
- interventions typiques de maintenance
sur léchangeur de chaleur à plaques, par ex. remplacement des joints
sur la technique de mesure, par ex. calibrage
sur les pompes, par ex. remplacement des garnitures mécaniques
- GUNT Media Center, développement des compétences numériques
recherche dinformations sur les réseaux numériques
utilisation des médias dapprentissage numériques, par ex. Web Based Training (WBT)
Le produit est chauffé à une température définie et maintenu à cette température pendant un temps défini.
Linstallation dessai ET 750 a été spécialement conçue pour la formation dans le domaine de la technologie alimentaire et les travaux pratiques.
En plus de faire fonctionner et de surveiller linstallation, il est possible deffectuer différents travaux de maintenance, comme le calibrage, le remplacement et le nettoyage des éléments de linstallation.
Linstallation dessai comprend un réservoir collecteur, deux pompes hygiéniques, un échangeur de chaleur à plaques avec trois compartiments, une section de maintien de la chaleur ainsi quun circuit deau de chauffage.
Le produit froid est transporté du réservoir collecteur vers le premier compartiment de léchangeur de chaleur (récupération) pour y être préchauffé.
Après une nouvelle augmentation de la pression, le produit est chauffé dans le deuxième compartiment à la température de pasteurisation souhaitée et traverse la mesure de la température enregistrée.
Si la température natteint pas ce seuil, la dérivation à fermeture rapide est activée et linstallation fonctionne en circuit fermé. Cela évite la contamination des pièces de linstallation situées en aval.
Lorsque la température de pasteurisation est atteinte, le maintien à chaud et donc la pasteurisation ont lieu dans la section de maintien à chaud.
Après écoulement à travers la section de maintien à température, le produit pasteurisé préchauffe le produit froid.
Ensuite, le compartiment de refroidissement de léchangeur de chaleur à plaques procède au refroidissement à la température de stockage.
Le refroidissement du processus seffectue soit par un groupe frigorifique (non compris dans la livraison), soit par le banc dessai ET 195.
Tous les principaux éléments répondent aux normes industrielles et permettent de réaliser et de documenter les différents travaux de maintenance au plus près de la pratique.
Cela comprend le remplacement des joints ainsi que le calibrage de la technique de mesure.
Un API programmable intégré avec écran tactile permet de commander linstallation.
Grâce à un routeur intégré, un terminal peut également commander et contrôler linstallation dessai.
Linterface utilisateur peut en outre être affichée sur dautres terminaux (Screen-Mirroring).
Les valeurs de mesure peuvent être enregistrées en interne à laide de lAPI.
Les personnes en formation apprennent à utiliser lAPI, y compris à régler et à surveiller les paramètres du processus.
Contenu didactique/essais
Apprentissage dans un environnement de type industriel pour la formation en technologie alimentaire
- fonctionnement et interventions de maintenance sur un pasteurisateur industriel
- apprentissage du fonctionnement du processus afin quil fonctionne toujours sans erreur
- apprentissage de la structure et du fonctionnement de linstallation
- utilisation dun chauffage de courte durée
stérilisation
démarrage de linstallation
fonctionnement de linstallation
- interventions typiques de maintenance
sur léchangeur de chaleur à plaques, par ex. remplacement des joints
sur la technique de mesure, par ex. calibrage
sur les pompes, par ex. remplacement des garnitures mécaniques
- GUNT Media Center, développement des compétences numériques
recherche dinformations sur les réseaux numériques
utilisation des médias dapprentissage numériques, par ex. Web Based Training (WBT)
Poids: 500 Kg Delai de livraison estimé : 16 semaines





