
Ref: EWTGUCE585
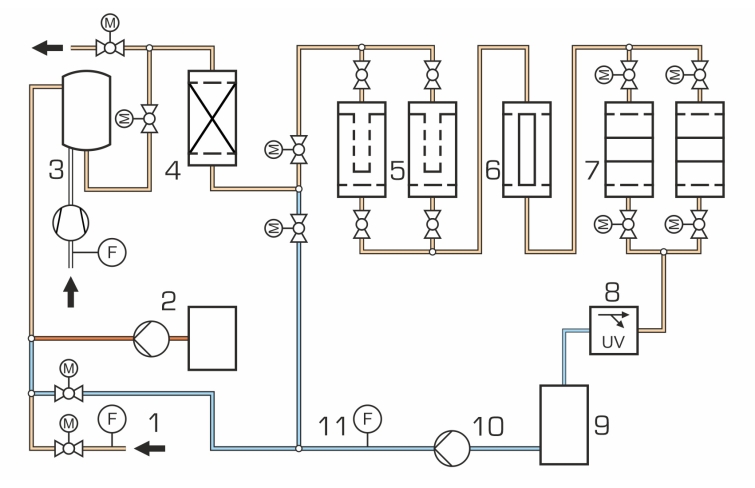
CE 585 Pilote de purification de l'eau type industriel, commande par API (Réf. 083.58500)
Avec fonctions différentes fonctions de commandes, travaux de maintenance
![]()
Poids: 800 Kg





Ref: EWTGUCE585
Avec fonctions différentes fonctions de commandes, travaux de maintenance
![]()



